This spongy material and the sun’s power remove salt from seawater
Published on by Water Network Research, Official research team of The Water Network in Technology
“Size-Insensitive Vapor Diffusion Enabled by Additive Freeze-Printed Aerogels for Scalable Desalination”
ACS Energy Letters
Most of Earth’s water is in the oceans and too salty to drink. Desalination plants can make seawater drinkable, but they require large amounts of energy. Now, researchers reporting in ACS Energy Letters have developed a sponge-like material with long, microscopic air pockets that uses sunlight and a simple plastic cover to turn saltwater into freshwater. A proof-of-concept test outdoors successfully produced potable water in natural sunlight in a step toward low-energy, sustainable desalination.

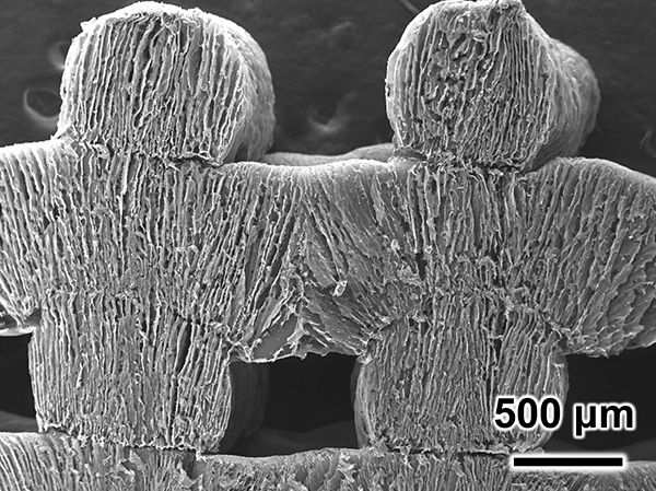
This isn’t a paper chain, it’s a 3D-printed material that soaks up seawater, purifying it into salt-free water.
Adapted from ACS Energy Letters 2025, DOI: 10.1021/acsenergylett.5c01233
This isn’t the first time scientists have created spongy materials that use sunlight as a sustainable energy source for cleaning or desalinating water. For example, a loofah-inspired hydrogel with polymers inside its pores was tested on chromium-contaminated water and, when heated by the sun, the hydrogel quickly released a collectible, clean water vapor through evaporation. But while hydrogels are squishy and liquid-filled, aerogels are more rigid, containing solid pores that can transport liquid water or water vapor. Aerogels have been tested as a means of desalination, but they are limited by their evaporation performance, which declines as the size of the material increases. So, Xi Shen and colleagues wanted to design a porous desalination aerogel that maintained its efficiency at different sizes.
The researchers made a paste containing carbon nanotubes and cellulose nanofibers and then 3D-printed it onto a frozen surface, allowing each layer to solidify before the next was added. This process formed a sponge-like material with evenly distributed tiny vertical holes, each around 20 micrometers wide. They tested square pieces of the material, ranging in size from 0.4 inches wide (1 centimeter) to about 3 inches wide (8 centimeters), and found that the larger pieces released water through evaporation at rates as efficient as the smaller ones.
In an outdoor test, the researchers placed the material in a cup containing seawater, and it was covered by a curved, transparent plastic cover. Sunlight heated the top of the spongy material, evaporating just the water, not the salt, into water vapor. The vapor collected on the plastic cover as liquid, moving the now clean water to the edges, where it dripped into a funnel and container below the cup. After 6 hours in natural sunlight, the system generated about 3 tablespoons of potable water.

A custom-made setup removes salt from seawater in natural sunlight, using a beaker of seawater, a black piece of aerogel, and a curved plastic cap that drips into a funnel and beaker.
Adapted from ACS Energy Letters 2025, DOI: 10.1021/acsenergylett.5c01233
“Our aerogel allows full-capacity desalination at any size,” Shen says, “which provides a simple, scalable solution for energy-free desalination to produce clean water.”
The authors acknowledge funding from the National Natural Science Foundation of China, the Research Grants Council of Hong Kong SAR, the Environment and Conservation Fund of Hong Kong SAR, and the Hong Kong Polytechnic University.
Attached link
https://www.acs.org/pressroom/presspacs/2025/july/this-spongy-material-and-the-suns-power-remove-salt-from-seawater.html#:~:text=In%20an%20outdoor%20test%2C%20the,the%20salt%2C%20into%20water%20vapor.Taxonomy
- Nano Materials
- Energy
- Desalination
- Sustainable Desalination
- Water from Air
- Water from Urine
- Hong Kong